-
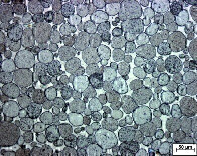
The lower the proportion of the binder phase, the higher the density will be. However, the ductility of the heavy metal also increases as the binder proportion rises. -
Compared to lead frequently used for medical technology applications in the past, space-saving Triamet sets itself apart in that it does not need any supporting structure due to its high resistance. -
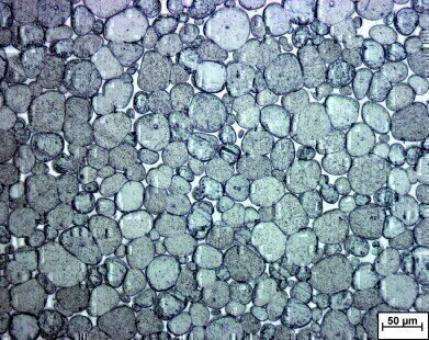
The lower the proportion of the binder phase, the higher the density will be. However, the ductility of the heavy metal also increases as the binder proportion rises.
Laboratory products
Heavy Metal on a Tungsten Basis with High Radiation Absorption Capacity Offers an Ecological Alternative to Toxic Lead
Sep 13 2017
EU Directive 2011/65/EU (RoHS 2) regulates the use of certain hazardous substances in electrical and electronic equipment. Lead, which is often used as radiation shielding or for anti-scatter grids, is ranked at the top of the list, even higher than mercury and cadmium. The Bavarian company Wolfram Industrie offers an innovative, more environmentally friendly alternative with Triamet, a heavy metal alloy on a tungsten basis: thanks to its specific high density and the resulting radiation absorption capacity, the dimensionally stable product even shields against gamma radiation.
Due to the high melting point of Triamet at more than 1,000°C, which is much higher compared to lead, there is no risk of melting in case of a fire. However, only powder-metallurgical processing is possible due to this special characteristic: for the production of Triamet, tungsten powder is mixed with iron and nickel or copper and nickel powders. Subsequent shaping is either realised hydraulically with binding agents and a press, or isostatically under great pressure of 2,000 to 3,000 bar. The former is suitable for smaller dimensions, the latter for large-scale components.
The density of Triamet is declared at G19 and is about 18.8 ± 0.2 g/cm3. A maximum density of 19.3 can be achieved with pure tungsten – which in fact is about 8 g/cm3 higher than lead. The lower the proportion of the binder phase the higher the density will be.
A mixture of tungsten granulate and epoxy resin is used as a backing material in ultrasound heads (transducers) to minimise interfering acoustic reflections. Here the acoustic impedance of the backing material is increased by adding tungsten. Triamet is used in radiation therapy to shield against hard gamma radiation. Radioactive seeds that are delivered to a tumour and subsequently removed again during HDR brachytherapy can be stored in containers made of Triamet. Shielding phials for radiopharmaceuticals to reduce the radiation exposure of employees constitute another possible application. It is also suitable for isotope containers thanks to its dimensional stability that ensures easy cleaning and sterilisation. Tungsten is atoxic and not environmentally hazardous according to its RoHS conformity, so that no coating is required.
Digital Edition
Lab Asia Dec 2025
December 2025
Chromatography Articles- Cutting-edge sample preparation tools help laboratories to stay ahead of the curveMass Spectrometry & Spectroscopy Articles- Unlocking the complexity of metabolomics: Pushi...
View all digital editions
Events
Jan 21 2026 Tokyo, Japan
Jan 28 2026 Tokyo, Japan
Jan 29 2026 New Delhi, India
Feb 07 2026 Boston, MA, USA
Asia Pharma Expo/Asia Lab Expo
Feb 12 2026 Dhaka, Bangladesh



